2007—2022. Сетевое издание «Автопипл». Возрастные ограничения: 16+
Почта редакции hkdkest@mail.ru
Телефон +7(499)490-76-06
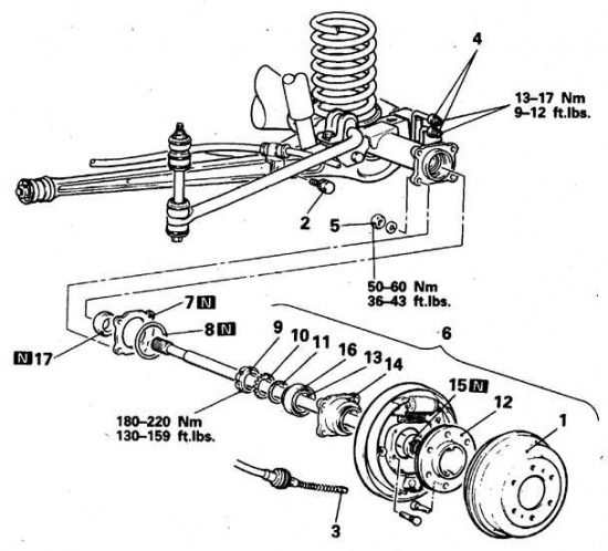
Конструкция полуоси заднего моста автомобилей (кроме авто выпуска 1992-1998 гг)

|
N – подлежит замене
1. Барабан 2. Болт крепления троса ручного тормоза 3. Наконечник троса ручного тормоза 4. Трубки тормоза 5. Гайки 6. Полуось в сборе 7. Регулировочные шайбы |
8. Кольцо 9. Контргайка 10. Китровочная шайба 11. Шайба 12. Полуось 13. Внутренняя обойма 14. Корпус 15, 17. Сальник 16. Наружная обойма |
Конструкция полуоси заднего моста автомобилей выпуска 1992-1998 гг

|
N – подлежит замене
1. Трубки тормоза 2. Задний тормоз 3. Диск 4. Болт троса ручного тормоза 5. Наконечник троса ручного тормоза 6. Ручной тормоз в сборе 7. Датчик скорости 8. Полуось в сборе 9. Стопорное кольцо 10. Запорное кольцо подшипника 12. 1-я внутренняя обойма подшипника |
13. 2-я внутренняя обойма |
Снятие и установка
АВТОМОБИЛИ 1983-91 ГГ.
Снимите тормозные барабаны.
Отсоедините трос стояночного тормоза.
Отверните 4 гайки крепления тормозного щита.
При помощи ударного приспособления снимите полуось в сборе со щитом, корпусом и подшипником.
Снятую конструкцию уложите на тиски.
Снимите кольцо и регулировочные шайбы (для регулировки предварительного натяга подшипников), проследив за их сохранностью.

Отверните гайку, снимите шайбы и, при помощи съемника выпрессуйте подшипник (пластины с 4 отверстиями напротив шпилек корпуса подшипников)

Выбейте из корпуса наружную обойму подшипника полуоси и удалите её сальник

Сборка.
Запрессуйте обоймы подшипника

1 – корпус, 2 – упор
При помощи специальной оправки, запрессуйте сальник полуоси

1 – корпус подшипника, 2 – упор
Заложите в подшипник смазку, затяните гайки и болты.
Сборку производите в обратном порядке.
После сборки, проверьте осевой люфт полуоси, который должен быть 0,05–0,20 мм, при необходимости отрегулируйте его шайбами-прокладками.
АВТОМОБИЛИ 1992-98 ГГ.
Снимите тормозной суппорт и тормозной диск
Отсоедините трос стояночного тормоза
Снимите датчик скорости (для автомобилей с АБС)
Открутите болты крепления полуоси и, при помощи ударного съемника выньте полуось.
Выбейте одну (или несколько) шпилек крепления колеса

Зажмите полуось в тиски, и осторожно срежте болгаркой запорное кольцо подшипника. Можно прорезать его до толщины 1–2 мм

1 – резак, 2 – корпус подшипника, 3 – запорное кольцо.
Окончательно сбейте запорное кольцо при помощи зубила

Для выпрессовки подшипника понадобится приспособление МВ990861. Обработайте угол пластины приспособления наждаком и закрепите его на полуоси, подобрав шайбы и завернув гайки

1 – обработанный край пластины, 2 – пластина, 3, 5 – шайба, 4 – корпус, 6 – болт, 7 – гайка
Удалите обойму при помощью приспособления и пресса.
На автомобилях с ABS-системой удалите сальник и пылезащитную крышку
На автомобилях без ABS выпрессуйте ротор, проложив между ротором и полуосью вспомогательную пластину толщиной 1 мм

1, 2 – пластина, 3 – опора
Чтобы не погнуть пластину ротора, при выпрессовывании в качестве опоры используйте оправку, диаметр которой соответствует диаметру фланца полуоси.
Снимите с полуоси остальные детали и тормозной щит.
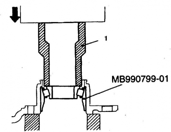
Установите удаленную внутреннюю обойму и с помощью приспособления МВ990799-01 спрессуйте наружную обойму

Для снятия подшипника с полуоси, зафиксируйте его приспособлением МВ 990560

Снимите корпус подшипника.
Удалите кольцо и выпрессуйте сальник из заднего моста.
Изношенные детали замените. Замене подлежат также те детали, которые обозначены литерой N на схемах в начале.
Сборка выполняется в обратном порядке с учетом следующего:
Запрессуйте сальник полуоси приспособленими МВ990932-01 и МВ990938-01, или эквивалентными.
Смажьте и запрессуйте наружную обойму подшипника приспособлением МВ990890-01.
Напрессуйте ротор на полуось приспособлением МВ991388.
Сальник корпуса подшипника запрессуйте приспособленими МВ990936-01 и МВ990938-01, предварительно смазав и установив внутреннюю обойму подшипника N1.
Внутреннюю обойму подшипника N2 запрессуйте на полуось приспособлением МВ990799.
Обе обоймы подшипника должны быть напрессованы вплотную друг к другу. Полуоси заднего моста с самоблокирующимся дифференциалом имеют разную длину (правая полуось длиннее).
Запорное кольцо подшипника запрессуйте на полуось приспособлением МВ990799-01 с начальным усилием 5 Тс и окончательным 10–11 Тс. Если окончательное усилие меньше указанного, то полуось нуждается в замене.
После установки стопорного кольца проверьте зазор А между стопорным (1) и запорным (2) кольцами, который не должен превышать 0,166 мм.

Толщина стопорного кольца в зависимости от его цветовой маркировки:
2,17 мм – отсутствует,
2,01 – желтая,
1,85 – синяя,
1,69 – розовая,
1,53 – красная.
После сборки, затяните все соединения необходимым моментом.
ПОДЕЛИТЬСЯ СТРАНИЦЕЙ
ПОИСК ПО САЙТУ
2007—2022. Сетевое издание «Автопипл». Возрастные ограничения: 16+
Почта редакции hkdkest@mail.ru
Телефон +7(499)490-76-06