комментарий с соседней ветки:
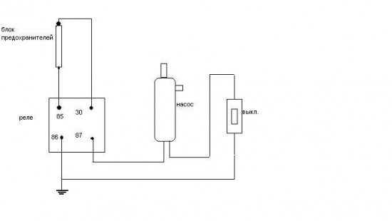
Привет всем,хочу поделится с вами как я подключил дополнительный электро насос на печку. Многие спрашивают на форуме кто как подключает,ну вот и я решил поделится?!Изучив мануал и схему я решил подключить через блок предохранителей,для того чтобы вдруг продам авто после меня могли разобратся(да ещё заказал наклейки на предохранители то что под капотом и в салоне на руском языке.В ногах водителя находится блок предохранителей,у меня F4 оказался пустой тоесть на него +приходит но после него не выходит,и было решено подключить именно здесь.Взял 4-х контактную релюшку, мелкую клему (маму),кнопку маленькую для вкл.выкл. и вперед. Моя схема работает на ура,при выкл. зажигания насос не работает и теперь не боюсь что могу забыть включенным.Предохранитель на 15А подключен на+ а выкл.на -(минус) так как вся схема на леганзе управляется минусом я решил не выходить из этой рамки.А выкл. поставил для лето,тоесть при вкл.кондея насос не нужен.
